| PQ3218超大电流电感参数
吸塑盒包装:35pcs/盘
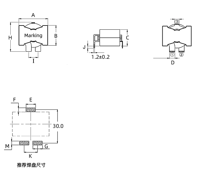
| PQ3218超大电流电感尺寸
PQ3218大电流电感长宽高:33*32*18.5mm
| A:33MAX mm | B:22.5±1 mm |
| C:18.5MAX mm | D:6.0±0.3 mm |
| E:6ref mm | F:1.0ref mm |
| G:7ref mm | H:32MAX mm |
| I:12±0.5 mm | J:3.5±0.5 mm |
| K:12.0±0.5 mm | M:2ref mm |

| PQ3218超大电流电感绕组

| PQ3218超大电流电感应用
PQ3218超大电流电感广泛用于储能设备、汽车电源、AI服务器电源 、电动车、拖拉机、通讯设备



